Feedback!

Hawkworks.net main page
Manual main index

Page 13-0

13. REAR WHEEL/SUSPENSION


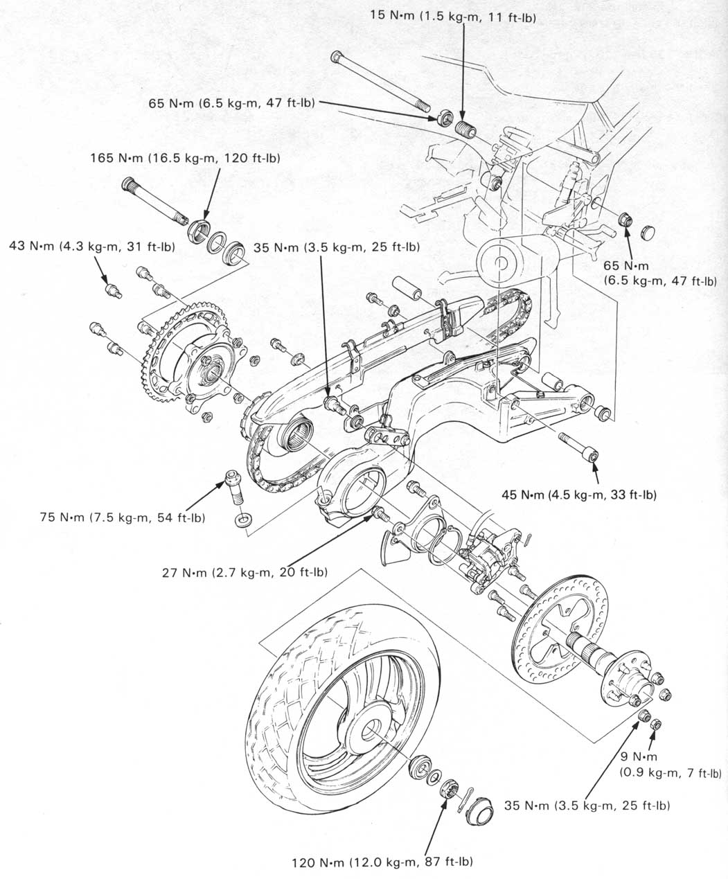
really big verson

Page 13-1

SERVICE INFORMATION13-1
TROUBLESHOOTING13-2
REAR WHEEL13-3
SPROCKET13-6
ECCENTRIC BEARING CARRIER REMOVAL13-6
BEARING REPLACEMENT13-9
SPINDLE13-11
ECCENTRIC BEARING CARRIER INSTALLATION13-12
SHOCK ABOSORBER13-14
SWINGARM13-19
MUFFLER/EXHAUST PIPE13-24
SEAT13-25
REAR COWLING13-25

SERVICE INFORMATION

GENERAL

WARNING



SPECIFICATIONS

Unit: mm (in)


ITEMSTANDARDSERVICE LIMIT
Rear wheel rim runoutRadial2.0 (0.08)
Axial2.0 (0.08)
Shock absorber spring free length148.3 (5.84)
Shock absorber spring preload adjuster position3
Compression force qt 10 mm (0.4 in) compressed15-20 kg (33.1-44.1 lb)14.9 kg (32.8 lb)

TORQUE VALUES

Sprocket mounting bolt43 N•m (4.3 kg-m, 31 ft-lb)
Brake disk retaining bolt35 N•m (3.5 kg-m, 25 ft-lb)
Brake disk retaining bolt lock nut9 N•m (0.9 kg-m, 7 ft-lb, 84 in-lb)
Rear wheel nut120 N•m (12.0 kg-m, 87 ft-lb)
Eccentric bearing carrier pinch bolt75 N•m (7.5 Kg-m, 54 ft-lb)
Shock absorber mounting bolt: upper side65 N•m (6.5 kg-m, 47 ft-lb)
Shock absorber mounting bolt: lower side54 N•m (4.5 kg-m, 33 ft-lb)
Damper rod lock nut62 N•m (6.2 kg-m, 45 ft-lb) Apply a locking agent to the threads
Swingarm pivot nut65 N•m (6.5 kg-m, 47 ft-lb)
Swingarm pivot lock nut65 N•m (6.5 kg-m, 47 ft-lb)
Swingarm pivot adjusting bolt15 N•m (1.5 kg-m, 11 ft-lb, 132 in-lb)
Brake torque rod bolts35 N•m (3.5 kg-m, 25 ft-lb)
Sub-frame mounting bolts40 N•m (4.0 kg-m, 29 ft-lb)
Fuel filter base mounting bolt22 N•m (2.2 kg-m, 16 ft-lb, 192 in-lb)
Eccentric bearing carrier lock nut165 N•m (16.5 kg-m, 120 ft-lb) Staked nut

Page 13-2

TOOLS

Special
Snap ring pliers07914—323000 — Equivalent commercially available in the U.S.A.
Shock absorber compressor attachement     07967—KE10000
Driver shaft07946—MJ00000
Bearing remover set07946—MJ00200
— Driver head07946—KA30200     Not available in the U.S.A.
Spherical bearing driver07908—ME90000
Lock nut wrench07965—KE80100
Oil seal driver07965—KE80100
 
Common
Driver07749—0010000
Attachment, 24 x 26 mm07746—0010700
Attachment, 32 x 35 mm07746—0010100
Attachment, 42 x 47 mm07746—0010300
Attachment, 52 x 55 mm07746—0010400
Attachment, 62 x 68 mm07746—0010500
Pilot, 15 mm07746—0040300
Pilot, 17 mm07746—0040400
Pilot, 20 mm07746—0040500
Pilot, 22 mm07746—0040000
Pilot, 35 mm07746—0040700
Pilot, 40 mm07746—0040700
Driver handle07949—3710001


TROUBLESHOOTING

Wobble or vibration in motorcycle Soft suspension Hard suspension Suspension Noise

Page 13-3


REAR WHEEL


REMOVAL

WARNING



CAUTION



NOTE




Place the motorcycle on its center stand.
Remove the center cap and cotter pin.  Loosen the wheel nut, but do not remove it.

Info: The rear wheel mounting nut is 27mm.

Loosen the eccentric bearing carrier pinch bolt and turn the carrier counterclockwise until it stops to obtain maximum chain slack.
Remove the chain from the rear sprocket and place it on the outside of the sprocket.
Rotate the eccentric bearing carrier to its rearward most (maximum chain slack) position.



Remove the wheel nut, shim and axle center collar.

Tap the axle with soft hammer and push the axle in until it clears the wheel.

Attach tape to the wheel rim, edge of the spindle and brake caliper to avoid damaging the wheel.

Remove the wheel from the drive pins, then angle it to the right and pull it backward to go between the brake disc and muffler.

CAUTION





Then, as the wheel reaches the hub, angle it to the left and pull it out backward as shown.

CAUTION




Page 13-4

INSPECTION

Wheel rim runout

Check the rim runout by placing the wheel in a truing stand.
Spin the wheel slowly and read the runout using a dial indicator.

SERVICE LIMITS
RADIAL RUNOUT:2.0 mm (0.08 in)
AXIAL RUNOUT:2.0 mm (0.08 in)

NOTE





wheel Balance

CAUTION




NOTE





Remove the dust seal from the wheel.
Mount the wheel and tire assembly in an inspection stand.
Spin the wheel, allow it to stop, and mark the lowest (heaviest) part of the wheel with chalk.
Do this two or three times to verify the heaviest area.  If the wheel is balanced, it will not stop consistently in the same position.

To balance the wheel, install wheel weights on the highest side of the rim, the side opposite the chalk marks.  Add just enough weight so the wheel will no longer stop in the same position when it’s spun.
Do not add more than 60 grams to the rear wheel.



Drive pin hole

Check the drive pin holes for the damage.

Inspection and replacement of the drive pin: turn to page 13-11.


Page 13-5

INSTALLATION

WARNING




CAUTION





Install the rear wheel in the reverse order of removal.

Clean the wheel and spindle mating surface.
Align the index marks and install the wheel hub over the drive pins.



Insert the axle in the wheel hub, making sure the splines are correctly aligned.

Tap the axle with soft hammer to seat the axle securely.

Turn the eccentric bearing carrier counterclockwise until it stops.
Install the drive chain onto the rear sprocket.

Clean and apply clean grease to the axle threads.

CAUTION






Install the axle center collar, shim and wheel nut.
Tighten the wheel nut to the specified torque.

TORQUE: 120 N•m (12.0 kg-m, 87 ft-lb)

Install a new cotter pin and cap securely.

Apply the rear brake several times and check for free wheel rotation when released.

Adjust the drive chain slack (page 3-12).


Page 13-6


SPROCKET

REMOVAL

Turn the eccentric bearing carrier to loose the drive chain, then remove the chain from the sprocket.

Remove the sprocket mounting bolts and the sprocket.




INSTALLATION

Install the sprocket by using the bolts and nuts.

TORQUE: 43 N•m (4.3 kg-m, 31 ft-lb)

Reinstall the drive chain and adjust the slack (page 3-12).



ECCENTRIC BEARING CARRIER

REMOVAL

Remove the rear wheel (page 13-3).
Loosen the eccentric bearing carrier pinch bolt and turn the carrier to loosen the drive chain.



Tap the axle with a soft hammer until the splines clear the driven flange cover.

Remove the axle to the left side.


Page 13-7


Unstake the eccentric bearing carrier lock nut and remove the nut.
Remove the lock washer and side collar.

Info: The nut is 46mm.  A 1-13⁄16" socket is exactly the same size but easier to find and cheaper.



Remove the brake caliper mounting bolts.
Swing the brake caliper from the brake disc while holding it with a piece of wire or something suitable.



Remove the spindle.
Remove the final driven flange assembly and remove the drive chain from the sprocket.



Remove the snap ring and brake disc guard plate.
Remove the eccentric bearing carrier from the swingarm.


Page 13-8


INSPECTION

Bearing
Turn the inner races of the ball bearings with your finger.
The bearing should turn smoothly and quietly.

Also check that the bearing outer races fits tightly in the eccentric bearing carrier.
Check the right bearing needle rollers for obvious signs of wear.

Remove and discard the ball bearings if they do not turn smoothly, quietly, or if they fit loosely in the eccentric bearing carrier (page 13-9).

NOTE




Replace the needle bearing if it is damaged.




Damper
Separate the driven flange cover with the sprocket from the flange.

Check the driven flange damper for damage.
Replace the dampers if necessary.



Page 13-9


BEARING REPLACEMENT

Eccentric bearing carrier
Remove the dust seals and bearing stop rings.



Press the ball bearings out of the carrier first with the special tools.


TOOLS:
Driver07749—0010000
Attachment, 42 x 47 mm07746—0010300
Pilot 40 mm07746—0040900


Press the needle bearing out of the carrier with the special tools.


TOOLS:
Driver07749—0010000
Attachment 52 x 55 mm07746—0010400


Install the inner dust seal in the carrier.
Carefully press the new needle bearing into the carrier first with the special tools.

NOTE




TOOLS:
Driver07749—0010000
Attachement 62 x 68 mm07746—0010500

Page 13-10


Apply clean grease to the dust seal lip.
Install the bearing stop ring and dust seal securely.



Carefully press the new ball bearings in with the special tools.

NOTE




TOOLS:
Driver07749—0010000
Attachment 62 x 68 mm07746—0010500


Apply clean grease to the dust seal lip.
Install the bearing stop ring and dust seal securely.



Driven flange
Separate the cover and the flange.
Remove the dampers and the O-ring.


Page 13-11


Press the bearing and dust seal out of the cover with the special tools.

TOOLS:
Driver07749—0010000
Attachment 52 x 55 mm07746—0010400
Pilot 35 mm07746—0040800


Carefully press the new bearing in with the special tools.

TOOLS:
Driver07749—0010000
Attachment 62 x 68 mm07746—0010500
Pilot 35 mm07746—0040800
Oil seal driver07965—KE80100

Install the dust seal securely.



SPINDLE

INSPECTION

Check the following of the spindle:

If necessary, remove the brake disc retaining bolts and nuts and lock nut, and separate the brake disc from the spindle.



Apply a locking agent to the drive pin bolt threads and tighten the drive pin bolts to the drive pin if replaced them.


TORQUE: 15 N•m (1.5 kg-m, 11 ft-lb)

Install the brake disc to the spindle and tighten the disc retaining bolts and nuts.

TORQUE: 35 N•m (3.5 kg-m, 25 ft-lb)

Install the disc retaining bolt lock nut onto the anywhere bolt.

TORQUE: 9 N•m (0.9 kg-m, 7 ft-lb)


Page 13-12

ECCENTRIC BEARING CARRIER INSTALLATION




Install the eccentric bearing carrier onto the swingarm.
Loosely install the eccentric bearing carrier pinch bolt.



Install the brake disc guard plate onto the eccentric bearing carrier by using the snap ring.


Page 13-13


Install the drive chain on the sprocket and position the flange against the eccentric bearing carrier.

Insert the spindle through the bearing carrier and driven flange.  Engage the driven flange and the spindle, making sure the splines are correctly mated.



CAUTION



Install over the brake caliper onto the brake disc.
Install and tighten the mounting bolts.

TORQUE: 27 N•m (2.7 kg-m, 20 ft-lb)



Install the rear axle from the left side.

Install the side collar onto the driven flange.

Install the lock washer onto the spindle as shown.



Install the eccentric bearing carrier lock nut and stake it.

TORQUE: 165 N•m (16.5 kg-m, 120 ft-lb)


Page 13-14



Install the rear wheel (page 13-5).
Adjust the drive chain slack (page 3-12).

Tighten the eccentric bearing carrier pinch bolt.

TORQUE: 75 N•m (7.5 kg-m, 54 ft-lb)

Operate the brake pedal to seat the caliper piston against the pads.



SHOCK ABSORBER

WARNING




NOTE





REMOVAL

Raise the rear wheel off the ground by placing the motorcycle on its center stand.

Remove the seat (page 13-25).
Remove the shock absorber lower mounting bolt while supporting the wheel.

Remove the following:

Loosen the sub-frame lower mounting bolts and lower the subframe.

Pull the shock absorber out from the frame through the upper sub-frame pipes.

Remove the shock absorber lower mounting collar.



Page 13-15



DISASSEMBLY

Make sure the spring adjuster is set to the softest position before disassembly.
Set the shock absorber in the hydraulic press with the special tool.

TOOL:
Shock absorber compressor attachement07967—KE10000

Compress the spring until the stop ring can be removed, and remove the stop ring from the shock absorber.

Remove the following:





INSPECTION

Inspect the following parts:

Inspect all the other parts for wear or damage.

Measure the spring free length.

SERVICE LIMIT: 148.3 mm (5.84 in)


Page 13-16



Mark the 10 mm position on the damper rod as shown.
Place the damper rod on a scale and measure the force required to compress the damper to the 10 mm (0.4 in) mark.

COMPRESSION FORCE: 15 - 20 kg (33.1 - 44.1 lb)

If the force required is less than 14.9 kg (32.8 lb), gas is leaking.
Examine the damper rod and replace the damper unit if it is bent or scored.



SHOCK ABSORBER DISPOSAL PROCEDURE

Center punch the damper case to mark the drilling point, approximately 15 mm (0.59 in) from the top surface.
Wrap the damper unit inside a plastic bag.
Support the damper unit upright in a vise as shown.
Through the open end of the bag, insert a drill motor with a sharp 2-3 mm (5/64 - 1/8 in) drill bit.

WARNING



Hold the bag around the drill motor and briefly run the drill motor inside the bag; this will inflate the bag with air from the motor and help keep the bag from getting caught in the bit when you start.



ASSEMBLY

Apply locking agent to the rod threads and install the lock nut.
Screw in the lock nut fully.
Install the seat.
Screw the lower joint onto the damper rod fully, hold it and tighten the lock nut.

TORQUE: 62 N•m (6.2 kg-m, 45 ft-lb)

NOTE





Page 13-17


Install the following:



Install the shock absorber drain tube on the seat.

Make sure the tab of the seat is aligned with the groove of the spring guide.



NOTE



Set the shock absorber in the hydraulic press with the special tool.

TOOL:
Shock absorber compressor attachment07967—KE10000

Compress the spring until the stop ring can be installed, and install the stop ring.



Page 13-18



LOWER MOUNTING BEARING REPLACEMENT

Remove the dust seals from the lower mount.
Press the needle bearing out of the shock absorber with the special tool.

TOOL:
Spherical bearing driver07946—KA30200
Not available in U.S.A.


Apply clean grease to a new needle bearing and drive it into the shock absorber until it is flush with lower mount surface.

TOOLS:
Driver07749—0010000
Attachment 24 x 26 mm07746—0010700
Pilot 17 mm07746—0040400

Apply clean grease to the dust seal lips and install them onto the lower mount.



INSTALLATION

Install the lower mounting collar into the mount.
Install the shock absorber in the frame with the drain tube facing forward.
Tighten the shock absorber upper mounting bolt.

TORQUE: 65 N•m (6.5 kg-m, 47 ft-lb)

Install the fuel filter base and mounting bolt.

TORQUE: 22 N•m (2.2 kg-m, 16 ft-lb)

Install the sub-frame upper mounting bolts.

TORQUE: 40 N•m (4.0 kg-m, 29 ft-lb)

Tighten the sub-frame lower mounting bolts.

TORQUE: 40 N•m (4.0 kg-m, 29 ft-lb)


Page 13-19


Route and clamp the shock absorber drain tube.
Install the shock absorber lower mounting bolt.

TORQUE: 45 N•m (4.5 kg-m, 33 ft-lb)



SWINGARM

REMOVAL

Raise the rear wheel off the ground by placing the motorcycle on its center stand.
Remove the rear wheel (page 13-3) and eccentric bearing carrier (page 13-6).

Remove the shock absorber lower mounting bolt.

Remove the swingarm pivot nut.

Unhook the rear brake hose and remove the rear brake caliper (page 14-15).


Loosen the lock nut and remove it.
Do not pull the swingarm pivot bolt out at this time.

TOOL:
Lock nut wrench07908—ME90000


Using a hex wrench, turn the pivot bolt and adjusting bolt counterclockwise together.


Page 13-20



Pull the pivot bolt out the frame while supporting the swin-arm.

Remove the swingarm from the frame.

Remove the pivot collars and bushing.



DISASSEMBLY

Remove the following components:



PIVOT BEARING REPLACEMENT

Remove the dust seals from the swingarm.
Remove the snap ring from the right side.


Page 13-21



Press the right pivot bearings out of the swingarm using a hydraulic press and the driver shaft.

TOOL:
Driver shaft07746—MJ00100 or
Driver handle07949—3710001


Press the left pivot needle bearing out of the swingarm using a hydraulic press and the special tool.

TOOL:
Driver shaft set07746—MJ00000


Apply clean grease to the new pivot bearings.
Press the right pivot bearing into the swingarm until it is flush with the surface.

TOOLS:
Driver07749—0010000
Attachment, 32 x 35 mm07746—0010100
Pilot, 15 mm07746—0040300


Apply clean grease to the pivot needle bearing.
Press the left needle pivot bearing into the swingarm until it is flush with the surface.

TOOLS:
Driver07749—0010000
Attachment, 32 x 35 mm07746—0010100
Pilot, 22 mm07746—0041000


Page 13-22



Install the snap ring into the groove in the swingarm.
Apply clean grease to the dust seal lips and install the dust seals in the swingarm pivots.



ASSEMBLY

Install the following components:

Install the brake torque rod with a new cotter pin.

TORQUE: 35 N•m (3.5 kg-m, 25 ft-lb)



INSTALLATION

Install the pivot collars and bushing in the swingarm.

Loosely install the pivot adjusting bolt then install the swingarm to the frame.
Insert the pivot bolt through the adjusting bolt fully.


Page 13-23


Turn the pivot bolt and adjusting bolt together clockwise until they touch the left pivot collar.
Tighten the adjusting bolt.

TORQUE: 15 N•m (1.5 kg-m, 11 ft-lb)



Loosely install the lock nut.
Tighten the lock nut while holding the adjusting bolt and pivot bolt.

TORQUE:
Actual:65 N•m (6.5 kg-m, 47 ft-lb)
Indicated:59 N•m (5.9 kg-m, 43 ft-lb)

TOOL:
Lock nut wrench07908—ME90000


Install the pivot nut and tighten to the specified torque.

TORQUE: 65 N•m (6.5 kg-m, 47 ft-lb)

Install the following:

Page 13-24

MUFFLER/EXHAUST PIPE

Removal

WARNING



Remove the following:

Loosen the exhaust pipe band bolt and separate the muffler and exjaust pipes.


INSTALLATION

Installation is in the reverse order of removal

Install the exhaust pipe as an assembly.

TORQUE:
Exhaust pipe joint nut:27 N•m (2.7 kg-m, 20 ft-lb)
Muffler mounting bolt:27 N•m (2.7 kg-m, 20 ft-lb)
Muffler band bolt:27 N•m (2.7 kg-m, 20 ft-lb)

CAUTION




Page 13-25

SEAT

REMOVAL/INSTALLATION

Insert the ignition key into the helmet holder and turn it clockwise.
Pull the holder hook down to realease the seat lock.
Remove the Seat from the frame.
Installation is the reverse order of removal.

NOTE





REAR COWLING

REMOVAL/INSTALLATION

Remove the seat.
Disconnect the tail/brake and turn signal light wire harnesses connectors.
Remove the four rear cowling mounting bolts and the cowling.
Installation is the reverse order of removal.