| no. | description | part number | 2003 price | notes | 
|---|---|---|---|---|
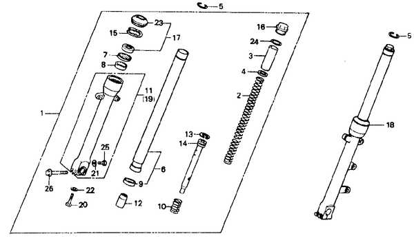
| 1 | FORK ASSY., R. FR. | 51400-MN8-671 | $526.14 | |
| 2 | SPRING, FR. FORK | 51401-MN8-671 | $47.66 | more info | 
| 3 | COLLAR, SPRING | 51402-KV3-701 | $13.11 | |
| 4 | SEAT, SPRING | 51403-KF0-003 | $2.71 | |
| 5 | RING, STOPPER | 51405-MB4-003 | $3.32 | |
| 6 | PIPE COMP., FR. FORK | 51410-MN8-671 | $196.80 | |
| 7 | RING, BACK-UP | 51412-MB4-003 | $5.26 | |
| 8 | BUSH, GUIDE | 51414-MN5-003 | $7.29 | |
| 9 | BUSH, SLIDER | 51415-MM8-003 | $8.71 | |
| 10 | SPRING, FR. REBOUND | 51416-KF0-003 | $3.75 | |
| 11 | CASE, R. (LOWER) | 51421-MN8-003 | $205.12 | |
| 12 | PIECE, OIL LOCK | 51432-KV3-701 | $9.23 | |
| 13 | RING, PISTON | 51437-KV3-701 | $4.06 | |
| 14 | PIPE, SEAT | 51440-MN8-741 | $32.82 | |
| 15 | RING | 51447-KA4-711 | $2.55 | |
| 16 | BOLT COMP., FR. FORK | 51455-MM9-003 | $33.03 | |
| 17 | SEAL SET, FR. FORK | 51490-MM8-305 | $18.08 | |
| 18 | FORK ASSY., L. FR. | 51500-MN8-671 | $526.14 | |
| 19 | CASE, L. (LOWER) | 51521-MN8-671 | $205.12 | |
| 20 | BOLT, SOCKET (8MM) | 90116-KV3-701 | $2.20 | |
| 21 | GASKET, FR. | 90543-273-000 | $1.15 | |
| 22 | WASHER (8MM) | 90544-283-000 | $1.49 | |
| 23 | DUST SEAL | 91254-MM8-003 | $9.74 | |
| 24 | O-RING (33.2X2.4) | 91356-KF0-003 | $2.09 | |
| 25 | BOLT, HEX. (6X8) | 92101-06008-0A | $0.49 | |
| 26 | BOLT, FLANGE (8X45) | 96500-08045-00 | $1.11 | 
The data was scraped from The Internet in 2003.
The useful data has been corrected and updated where possible.
We have made no effort to keep pricing up-to-date.