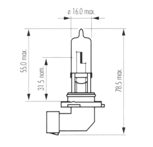
Halogen Bulbs - 9005/HB3
Type: 9005/HB3

Voltages: 12.8 (12)

Watts: 65 (60)

Base: P20d

Product information sheet for 9005/HB3