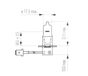
Halogen Bulbs - H3 and H3c
Type: H3 and H3c

Voltages: 12

Watts: 55

Base: PK22s

Product information sheet for H3